Benutzer:  Gast     Thursday, 25.12.2025 14:25
Benutzer online:
Gäste: 1
Mitglieder: 0
Aktuell: 1
Maximal: 51
www.gotthardmodell.ch - Home
Die Gotthard Nordrampe
Du bist hier:  Digitales ► Decoder ► Zubehördecoder ► Anschlussbeispiele

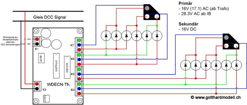
Anschlussbeispiele

 

für Zubehördecoder vom Typ Z1-8+. Hier findest Du die Anschlussschemen, wie ich die Signale an diese Decoder anschliesse. Die möglichen Fahrbegriffe findest Du unter Signalisation.

Z1-8+ SBB Typ L

1 Haupt- und 1 Vorsignal mit je 4 Lampen

Z1-8+ SBB Typ Z (2 Zwergsignale)

Zu beachten: Der Qdecoder kommt im Gegensatz zu anderen Produkten ohne jegliche Diodenmatrix aus!

2 Zwergsignale und 2 einzelne Lampen (z.B. Abfahrbefehl)

Z1-8+ SBB Typ Z (8 Zwergsignale)

Zu beachten: Der Qdecoder kommt im Gegensatz zu anderen Produkten ohne jegliche Diodenmatrix aus!

8 Zwergsignale
Last Update: 16.08.2010, 10:00