Bis zum Erscheinen der Qdecoder habe ich mit diesem Decoder geplant, um die SBB-Zwergsignale anzusteuern. Zum Zeitpunkt meiner Recherchen war dies der einzige Decoder, der dies beherrschte.
Fertigbaustein |
Dieser Decoder kann ausserdem Magnetartikel und Signale ansteuern; alle Ausgänge lassen sich individuell einstellen (gemischter Betrieb von Weichen und Signalen an einem Decoder). Weitere Informationen findest Du unter www.darisus.de.
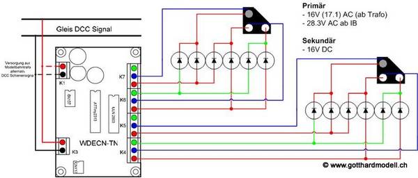
Anschlussschema eines WDECN-TN mit zwei Zwergsignalen |
Damit ich beim Programmieren nicht immer die ganze Anleitung wieder studieren muss habe ich mir eine Kurzanleitung erstellt:
| |
Adresse einstellen |
Decoder am
Programmiergleis anschliessen und IB in Programmiermodus versetzen.
„DCC Program“.- „CV-Prog bytew.“ Auswählen und Register CV513
auslesen |
| |
Firmware auslesen
Hersteller auslesen |
CV519 1.4
CV520 24 = MoBaTron |
| |
Einschaltdauer für die Ausgänge
1-4
Zwergsignal = 0 |
CV515 – CV 518 |
| |
Betriebsmodus
Zwergsignal = 3 |
CV545 = 1 4x
Weichen
CV545 = 2 2x 3-begriffige Lichtsignale
CV545 = 3 2x 4-begriffige Lichtsignale
CV545 = 4 8x unabhängige Ausgänge
CV545 = 129 wie 1 mit Speichern des Zustandes
CV545 = 130 wie 2 mit Speichern des Zustandes
CV545 = 131 wie 3 mit Speichern des Zustandes
CV545 = 132 wie 4 mit Speichern des Zustandes |
| |
Ab- und Aufblenddauer |
CV548 |
| |
Ab- und Aufblendausgänge |
CV549 |
Einige Anwender von Lenz Zentralen haben berichtet, das mit derselben diese Decoder nicht oder nur unter erschwerten Bedingungen ausgelesen oder beschrieben werden können - eine Lösung habe ich im Moment auch nicht (mit der IB funktioniert's aber problemlos!). Unter Umständen helfen diese Tipps aus der Bedienungsanleitung:
«Für Zubehördecoder (eng. Accessory Decoder) sind CVs mit den Nummern 1 und aufwärts vorgesehen. Die CV 1 enthält z.B. die 6 niederwertigen Bits der Decoderadresse oder die 8 niederwertigen Bits der Ausgangsadresse. Die Tabelle 8 auf der Seite 25 zeigt alle CVs. Ursprünglich hatte die NMRA für Zubehördecoder die CVs mit den Nummern 513 bis 1024 reserviert. Da viele Zentralen nicht die NMRA Normen erfüllten und deswegen die CV Adressen oberhalb von 100 oder 128 gar nicht ansprechen konnten, ist bereits ab Version 1.2 der Firmware des WDecN-TN auch die Programmierung der CV 1 bis CV 12 statt CV 513 bis CV 640 erlaubt.»
|